10 point/14 point/23 point/28 point type Input / Output Specifications
DC input (Basic units)
| Item | 
Specification | 
 
| Input voltage | 
24 V DC | 
 
| Allowable input voltage range | 
0 to 30V DC | 
 
| Input impedance | 
Approx. 2.8kΩ | 
 
| Input current | 
7.5mA typical | 
 
| Operating voltage | 
ON voltage | 
15 V DC (min) / 4.5mA (max) | 
 
| OFF voltage | 
5 V DC (max) / 1.5mA (max) | 
 
| Input lag | 
OFF → ON | 
0.5 to 20 ms (configurable) | 
 
| ON → OFF | 
0.5 to 20 ms (configurable) | 
 
| Polarity | 
None | 
 
| Insulation system | 
Photocoupler insulation | 
 
| Input display | 
LED (green) | 
 
| External connection | 
10-point type: fixed type terminal block 14-, 23-, 28-point types: Removable type screw terminal block (M3) | 
 
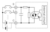
| Circuit diagram | 
  
  | 
 
 
DC input (Expansion units)
| Item | 
Specification | 
 
| Input voltage | 
24 V DC | 
 
| Allowable input voltage range | 
0 to 30V DC | 
 
| Input impedance | 
Approx. 2.8kO | 
 
| Input current | 
7.5mA typical | 
 
| Operating voltage | 
ON voltage | 
15 V DC (min) / 4.5mA (max) | 
 
| OFF voltage | 
5 V DC (max) / 1.5mA (max) | 
 
| Input lag | 
OFF → ON | 
0.5 ms or less | 
 
| ON → OFF | 
0.5 ms or less | 
 
| Polarity | 
None | 
 
| Insulation system | 
Photocoupler insulation | 
 
| Input display | 
LED (green) | 
 
| External connection | 
10-point type: fixed type terminal block 14-, 23-, 28-point types: Removable type screw terminal block (M3) | 
 
| Circuit diagram | 
 
   | 
 
 
DC input (8 points / 16 points expansion units)
| Item | 
Specification | 
 
EH-D8EDR EH-D8EDTPS EH-D8EDT | 
EH-D8ED EH-D16ED | 
 
| Input voltage | 
24V DC | 
 
| Allowable input voltage range | 
0 to 30V DC | 
 
| Input impedance | 
Approx. 2.8kΩ | 
Approx. 4.8kΩ | 
 
| Input current | 
7.5mA typical | 
4.8mA typical | 
 
| Operating voltage | 
ON voltage | 
15 V DC (min) / 4.5mA (max) | 
15 V DC (min) / 3.0mA (max) | 
 
| OFF voltage | 
5 V DC (max) / 1.5mA (max) | 
 
| Input lag | 
OFF → ON | 
4ms (TYP) | 
2ms (TYP) | 
 
| ON → OFF | 
4ms (TYP) | 
2ms (TYP) | 
 
| Polarity | 
None | 
 
| Insulation system | 
Photocoupler insulation | 
 
| Input display | 
LED (green) | 
 
| External connection | 
Removable type screw terminal block (M3) | 
 
| Circuit diagram | 
  | 
 
 
AC input
| Item | 
Specification | 
 
| Input voltage | 
100 to 120V AC | 
 
| Allowable input voltage range | 
85 to 132 V AC 50 -5 % to 60 +5 % Hz | 
 
| Input impedance | 
Approx. 14.6 kΩ (60Hz) Approx. 17.6 kΩ (50Hz) | 
 
| Input current | 
Approx. 7mA RMS (100V AC/60Hz) | 
 
| Operating voltage | 
ON voltage | 
80V AC (min) 4.5mA | 
 
| OFF voltage | 
30V AC (max) 2mA | 
 
| Input lag | 
OFF → ON | 
25 ms (max) *1 | 
 
| ON → OFF | 
30 ms (max) *1 | 
 
| Polarity | 
None | 
 
| Insulation system | 
Photocoupler insulation | 
 
| Input display | 
LED (green) | 
 
| External connection | 
14-, 28-point types: Removable type screw terminal block (M3) | 
 
| Circuit diagram | 
  
  | 
 
 
- *1
 
- Delay by hardware only. Delay by digital filter (software filter) 0.5 to 20 ms is not included.
 
 
 
 
   |